


Q-RELAY-3P-INT-PF
Releu Enphase Q trifazat
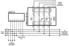
Releul Q trifazat de la Enphase este inteligent, fiabil, ușor și ușor de instalat. Releul Enphase Q este o protecție esențială pentru instalarea dumneavoastră. În instalațiile Enphase IQ, releul Q trifazat acționează ca un dispozitiv de deconectare electrochimică pentru instalațiile trifazate și dispune de comutatoare încorporate. În cazul unor anomalii ale rețelei, Q Relay poate deconecta microinvertoarele Enphase de la rețeaua de curent alternativ. Când tensiunile și frecvența rețelei revin la niveluri normale, Q Relay va reconecta automat sistemul. Releul Q funcționează împreună cu Envoy-S pentru a deconecta conductorii de linie și neutru după cum este necesar, în funcție de cerințele rețelei. Din cauza riscului de electrocutare, este important să opriți sursa de alimentare înainte de a conecta cablurile. După instalarea sistemului, atunci când este pornit, LED-urile ar trebui să devină verde pentru a indica faptul că tensiunea și frecvența AC se încadrează în specificațiile codului de rețea.
Caracteristicile Q-RELAY-3P-INT
Suport pe șină DIN de 35 mm pentru instalare rapidă Control fiabil al încărcării Resetați automat când tensiunea normală este restabilită Extensibilitate de la distanță Citire ușoară a LED-urilor de stare Număr produs producător: Q-RELAY-3P-INT 5 ani garanție de la producător
Despre Enphase
Compania americană Enphase este liderul mondial al microinvertoarelor. Fiecare panou solar este echipat cu propriul micro-invertor, ceea ce face posibilă monitorizarea per panou solar. De asemenea, un panou solar cu performanțe slabe nu afectează negativ restul panourilor, așa cum este cazul unui invertor de șir tradițional. O soluție sigură și de înaltă eficiență face din microinvertoarele Enphase o alegere bună pentru orice sistem fotovoltaic.